您好,欢迎访问J9国际站官方网站网站!

联系我们

联系我们

J9国际站官方网站

手机:133-4266-6888

电话:0769-81383685

邮箱:changmin896@163.com

地址:广东省东莞市石排镇庙边王龙田西路1号

网址:www.djagoan.com/

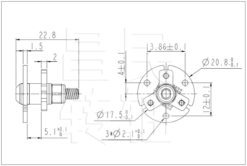
360度无限位阻尼转轴CM037-034

规格:20.8*22.8mm
外观:电镀亮镍
扭力:6.5-7.5KGF.CM
寿命:5000次,衰减率小于20%
材质:SK7+1215
咨询热线:133-4266-6888

产品介绍

产品特点:转轴表面无刮伤、无油污,且材料环保,盐雾测试过24H,360°无限位。

使用方法:转轴有多个螺丝孔,采用机牙螺丝固定到翻盖两侧,简单易装,能够承受住超重的翻盖,扭矩可调。

专注精密五金转轴实体厂家
专业转轴工程师为您的产品量身定制各类转轴
地址:广东省东莞市石排镇庙边王龙田西路1号
电话:0769-81383685
手机:133-4266-6888
Copyright © 2021 J9国际站官方网站 版权所有,违权必究 粤ICP备18051942号
咨询

电话

133-4266-6888

扫一扫加微信

扫一扫加微信

扫一扫加微信

公众号

微信公众号

微信公众号

微信小程序

微信小程序

微信小程序